Gray code is a binary code where each successive value differs from the previous value by only one bit.
Implementation #1
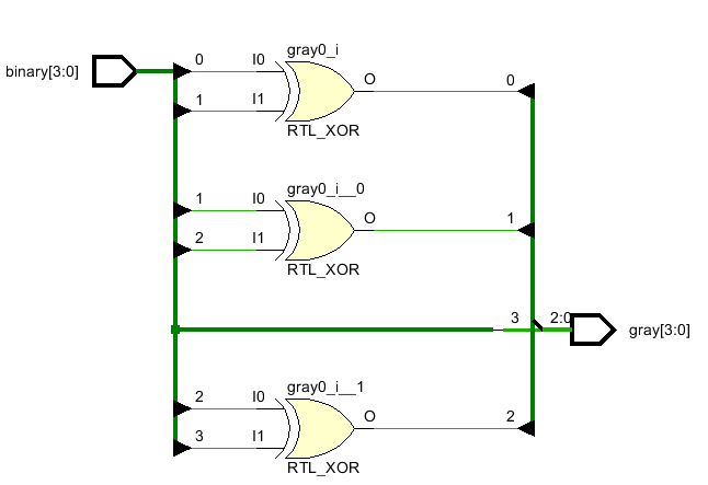
module bin2gray #(parameter N=4) ( input [N-1:0] bin,
output [N-1:0] gray);
genvar i;
generate
for(i = 0; i < N-1; i = i + 1) begin
assign gray[i] = bin[i] ^ bin[i+1];
end
endgenerate
assign gray[N-1] = bin[N-1];
endmodule
Hardware Schematic

Implementation #2
module bin2gray #(parameter N=4) ( input [N-1:0] bin,
output [N-1:0] gray);
assign gray = bin ^ (bin >> 1);
endmodule
Hardware Schematic

Note that the second implementation resulted in the synthesis of a shift register as implied by the >> operator and will occupy more area and power.